Language
Current Location:Home Page >Products >3.6-12kV insulation parts series >12kV contact box series
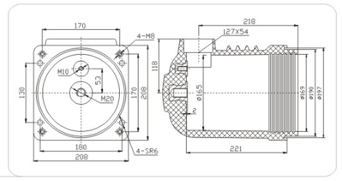
产品名称:12kv触头盒
产品型号:CHZ303-12
额定电流:2000A~3150A
Product design drawing: