Language
Current Location:Home Page >Products >3.6-12kV insulation parts series >12kV contact box series
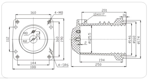
产品名称:12kV触头盒
产品型号:CHZ307-12
额定电流:≤1600A
Product design drawing: