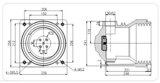
产品名称:12kv触头盒

产品型号:CHZ308-B-12

额定电流:≤3150A


Product design drawing:

20200328163009422.jpg

Product consultation