Language
Current Location:Home Page >Products >3.6-12kV insulation parts series >12kV contact box series
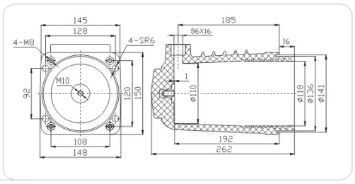
产品名称:12kv触头盒
产品型号:CHZ317-12
额定电压:12kV
Product design drawing: