产品名称:传感器

产品型号:CG101-3.6/7.2/12

额外电压:3.6~12kV

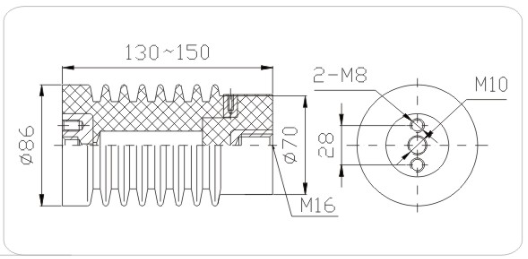
产品设计图:

1-3.jpg


产品咨询