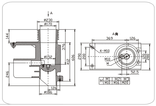
产品名称:屏蔽触头盒(配ABB柜、加强型)

产品型号:CHZ303G-40.5

额定电压:40.5kV


产品设计图:

20200328172817995.jpg

产品咨询